
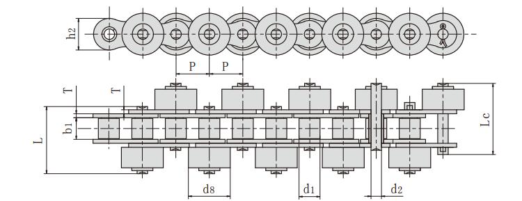
| 鏈號 | 節距 | 滾子直徑 | 內節內寬 | 銷軸直徑 | 銷軸長度 | 鏈板尺寸 | 抗拉強度 | |||
| P | d1 | d8 | b1 | d2 | L | Lc | h2 | T | Q | |
| mm | mm | mm | mm | mm | mm | mm | mm | mm | kN/Ibf | |
| 60-SR | 19.05 | 11.91 | 22.23 | 12.57 | 5.94 | 39.45 | 41.8 | 18.0 | 2.40 | 31.8/7227 | 
聯系人:孔經理
手 機:13053953194
電 話:0539-6389886
郵 箱:2915442155@qq.com
公 司:山東圣鐸鏈傳動有限公司
地 址:山東臨沂市羅莊區通達南路17號